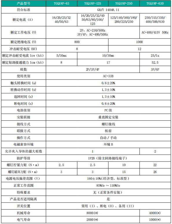
TGQ1NP 系列自动转换开关电器适用于交流 50Hz, 额定工作电压AC230V(2P)/AC400V(3P/4P),额定工作电流至 630A 的两相 / 三相四线双路供电电网中,自动将一个或几个负载电路从一个电源接至另一个电源,以保证负载电路的正常供电。本产品适用于工业、商业、高层和民用住宅等较为重要的场所。
TGW1N 系列万能式断路器,适用于交流50Hz,额定电压AC380V~AC690V,额定电流200A~6300A 的配...
TGM1N 系列塑料外壳式断路器是采用国际先进技术平台开发的新型断路器,该产品适用于交流 50/60Hz,额定工作电压 ...
TGM3 系列塑料外壳式断路器 ( 以下简称断路器 ) 是我公司采用国际先进技术研制、开发的新型断路器之一。具有零飞弧、...
TGM3E 系列塑料外壳式断路器(以下简称断路器)是我公司采用国际先进技术研制、开发的新型断路器之一。具有四段选择性保护...
您可以向我们发送有关金年会jinnianhui官方在线登录电气的问题咨询